|
Mikrohet |
|
Funke |

|
www.AFU-DF3IQ.de |

|
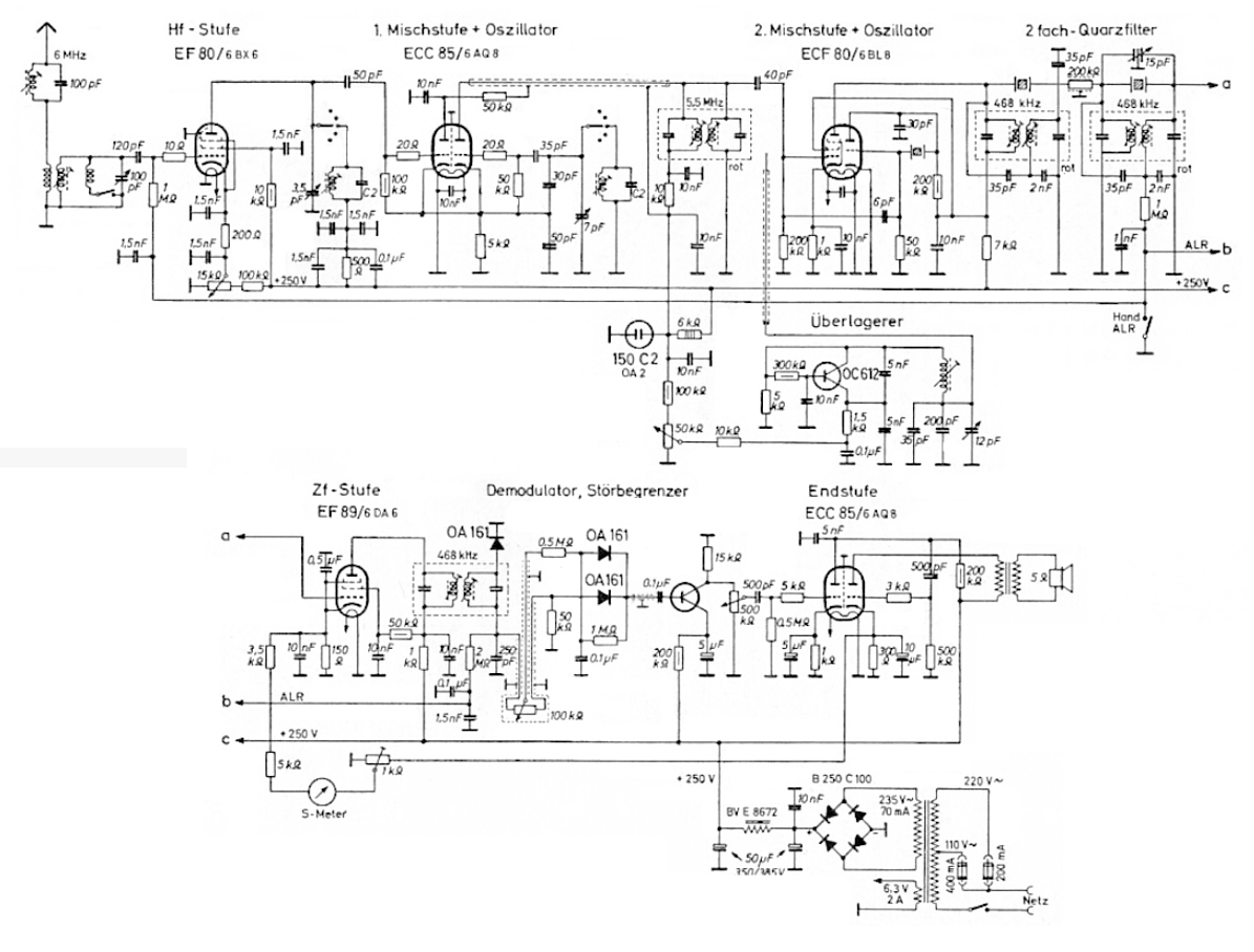
Gerätetyp: |
Portabel-KW-Empfänger |
|
Frequenzbereich: |
80, 40, 20, 15, 10 m |
|
Betriebsarten: |
SSB, AM |
|
Ausgangsleistung: |
1 W audio |
|
Empfindlichkeit: |
1,0 µV S/N > 20 dB |
|
Selektion: |
0,3 - 4,5 kHz (3db, regelbar) |
|
Spiegel-Unterdrückung: |
> 60 dB |
|
Betriebsspannung: |
220 V |
|
Stromverbrauch: |
50 W |
|
Antennenimpedanz: |
60 Ohm |
|
Abmessung: |
250 x 190 x 110 mm |
|
Gewicht: |
5,0 kg |
|
Weitere Daten: |
ZF: 5,5 MHz 468 kHz Bandbreitenregelung, Störbegrenzer |
|
Im Handel ab: |
1961 |
|
Literatur: |
Funkschau 1962, Heft 10, Gerätebericht von HB9EXV, Seite 265-266 DL-QTC 1960, Heft 6, „Mikrohet“, DL6FG, DL1FK, Seite 251-263 |